5FLK管狀保險(xiǎn)絲
- 2022-12-30 18:54:12
- 0

玻璃保險(xiǎn)絲| Glass FUSE
插件| DIP
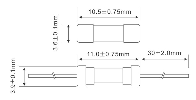
型號(hào) | model: 5.0*20MM
Quick Acting Low Breaking Capacity (φ5*20MM)
+Approvals(5FLK)
SEMKO 63mA-6.3A VDE 63mA-10A
BSI 63mA-6.3A UL Recongnized 63mA-10A
CSA Acceptance 63mA-10A PSE 1A-5A
KTL 63mA-6.3A CCC 63mA-6.3A CQC 8A/10A
+Interrupting Ratings
35 amperes or 10 in rated turrent; whichever is greater. At 250V AC
Electrical Characteristics
Rated Current | 1.5 In | 2.1 In | 2.75 In | 4 In | 10 In | ||
MIN | MAX | MIN | MAX | MIN | MAX | MAX | |
63mA~100A | 60min | 30min | 10ms | 500ms | 3ms | 100ms | 20ms |
125mA~6.3A | 60min | 30min | 50ms | 2ms | 10ms | 300ms | 20ms |
80mA~10A | 30min | 30min | 50ms | 2ms | 10ms | 400ms | 40ms |
+Operating Temperature -55℃ to +125℃
Cartidge Catalog Number | Ampere Rating | Voltage Rating | Nominal Resistance | Valtage Drop Mel | Nominal Ting L2f |
(In) | (V) | Cold Ohms | (Mv)MAX | A.Sec | |
5FLK 0.63 | 63mA |
250V |
10.024 | 1500 | 0.000794 |
5FLK 0.80 | 80mA | 8.7160 | 1300 | 0.001280 | |
5FLK.100 | 100mA | 4.7670 | 1200 | 0.001800 | |
5FLK.125 | 125mA | 4.4410 | 1200 | 0.002810 | |
5FLK.160 | 160mA | 2.8420 | 1100 | 0.005370 | |
5FLK.200 | 200mA | 1.8930 | 1000 | 0.016000 | |
5FLK.250 | 250mA | 1.1630 | 800 | 0.025000 | |
5FLK.315 | 315mA | 0.4090 | 500 | 0.039600 | |
5FLK.400 | 400mA | 0.2950 | 300 | 0.080000 | |
5FLK.500 | 400mA | 0.2400 | 250 | 0.125000 | |
5FLK.630 | 630mA | 0.1950 | 230 | 0.198000 | |
5FLK.800 | 800mAA | 0.1280 | 200 | 0.768000 | |
5FLK 001 | 1A | 0.0920 | 180 | 1.300000 | |
5FLK 1.25 | 1.25A | 0.0730 | 170 | 1.875000 | |
5FLK 1.60 | 1.6A | 0.0570 | 160 | 3.328000 | |
5FLK 002 | 2A | 0.0430 | 160 | 5.600000 | |
5FLK 2.50 | 2.5A | 0.0300 | 160 | 8.750000 | |
5FLK 3.15 | 3.15A | 0.0240 | 150 | 14.88000 | |
5FLK 004 | 4A | 0.0180 | 130 | 24.00000 | |
5FLK 005 | 5A | 0.0130 | 130 | 40.00000 | |
5FLK 6.30 | 6.3A | 0.0100 | 130 | 67.47000 | |
5FLK 008 | 8A | 0.0087 | 130 | 140.8000 | |
5FLK 010 | 10A | 0.0063 | 150 | 300.0000 |