3SCK管狀保險(xiǎn)絲
- 2022-12-30 17:55:40
- 0

陶瓷保險(xiǎn)絲| Ceramics FUSE
插件| DIP
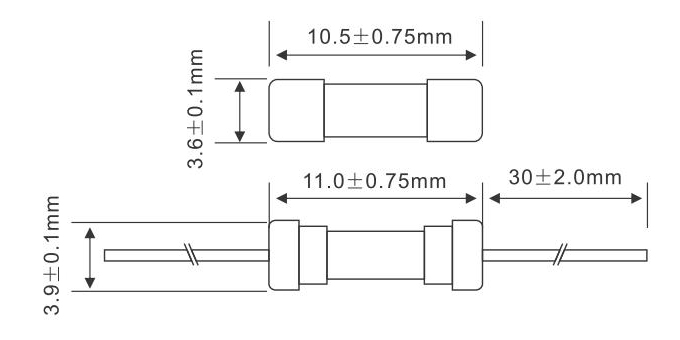
型號(hào) | model: 3.6*10MM
Fast Acting Ceramic Tube Fuse Series (φ3.6*10MM)
+Approvals
3PBP(With Pig-Tail)
UL Listed 100mA-8A UL Listed 100mA-8A
CSA Certified 100mA-8A
+Interrupting Ratings
50 amperes at 250V AC
Electrical Characteristics
Rated Current | 1 In | 2In |
MIN | MAX | |
100mA~8A | 4hr | 5sec |
+Operating Temperature -55℃ to +125℃
Cartidge Catalog Number | Ampere Rating | Voltage Rating | Nominal Resistance | Nominal Ting L2f |
(In) | (V) | Cold Ohms | A.Sec | |
3SCK.100 | 100MA |
250V |
4.41400 | 0.00226 |
3SCK.125 | 125MA | 2.94900 | 0.00276 | |
3SCK.200 | 200MA | 1.62000 | 0.01107 | |
3SCK.250 | 250MA | 1.34000 | 0.01875 | |
3SCK.300 | 300MA | 1.03500 | 0.01917 | |
3SCK.400 | 400MA | 0.72000 | 0.06080 | |
3SCK.500 | 500MA | 0.48200 | 0.10716 | |
3SCK.600 | 600MA | 0.23125 | 0.25092 | |
3SCK.750 | 750MA | 0.20005 | 0.33638 | |
3SCK.800 | 800MA | 0.18735 | 0.34100 | |
3SCK 001 | 1A | 0.16620 | 0.36800 | |
3SCK 1.50 | 1.5A | 0.07716 | 2.07270 | |
3SCK 1.60 | 1.6A | 0.08175 | 2.1000 | |
3SCK 002 | 2A | 0.14795 | 2.54000 | |
3SCK 2.50 | 2.5A | 0.03339 | 2.72250 | |
3SCK 3.15 | 3.15A | 0.02655 | 4.31110 | |
3SCK 004 | 4A | 0.02178 | 6.64800 | |
3SCK 4.5 | 4.5A | 0.02024 | 12.5770 | |
3SCK 005 | 5A | 0.1796 | 13.5900 | |
3SCK 006 | 6A | 0.01359 | 19.9590 | |
3SCK 6.30 | 6.3A | 0.01298 | 21.6530 | |
3SCK 6.50 | 6.5A | 0.01254 | 22.6460 | |
3SCK 007 | 7A | 0.01189 | 22.8095 | |
3SCK 008 | 8A | 0.01004 | 34.0750 |