5SCK管狀保險(xiǎn)絲
- 2022-12-30 18:52:17
- 0

陶瓷保險(xiǎn)絲| Ceramics FUSE
插件| DIP 型號(hào) |
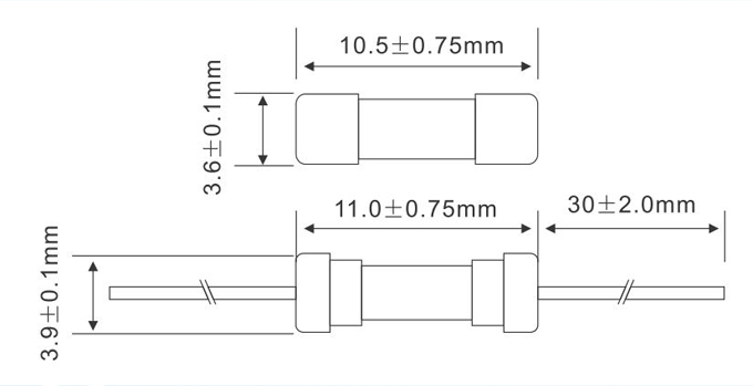
model: 5.0*20MM
Fast Acting Ceramic Tube Fuse Series (φ5*20MM)
+Approvals(5GE)
UL 100mA-15A
CSA Certified 100mA-12A
CSA Accetpance 12.1~15A
PSE 1A-15A
+Interrupting Ratings
100mA-10A:10,000 amperes at 125v AC
100mA-1A:35 amperes at 250V AC
1.25A-3.5A:100 amperes at 250v AC
3.75A-10A:100 amperes at 250V AC
10.1A-15A:750 amperes at 250V AC
Electrical Characteristics
Rated Current | 1 In | 1.35 In | 2 In |
MIN | MAX | MAX | |
100mA~20A | 4hr | 1hr | 30sec |
+Operating Temperature -55℃ to +125℃
Cartidge Catalog Number | Ampere Rating | Voltage Rating | Nominal Resistance | Nominal Ting L2f |
(In) | (V) | Cold Ohms | A.Sec | |
5SCK.100 | 100mA |
125V
|
9.0860 | 0.0018 |
5SCK.125 | 125mA | 7.7250 | 0.0035 | |
5SCK.150 | 150mA | 6.4810 | 0.0048 | |
5SCK.200 | 200mA | 4.0750 | 0.0085 | |
5SCK.250 | 250mA | 2.3850 | 0.0142 | |
5SCK.300 | 300mA | 2.1170 | 0.0197 | |
5SCK.315 | 315mA | 1.8850 | 0.0218 | |
5SCK.350 | 350mA | 0.7350 | 0.0375 | |
5SCK.400 | 400mA | 0.6030 | 0.0561 | |
5SCK.500 | 500mA | 0.3970 | 0.0930 | |
5SCK.600 | 600mA | 0.2930 | 0.1300 | |
5SCK.630 | 630mA | 0.2900 | 0.1510 | |
5SCK.700 | 700mA | 0.2370 | 0.2050 | |
5SCK.750 | 750mA | 0.2190 | 0.2850 | |
5SCK.800 | 800mAA | 0.1880 | 0.3000 | |
5SCK 001 | 1A | 0.1560 | 0.4000 | |
5SCK 1.50 | 1.5A | 0.0795 | 1.1250 | |
5SCK 002 | 2A | 0.0580 | 2.0000 | |
5SCK 2.50 | 2.5A | 0.0532 | 6.2500 | |
5SCK 003 | 3A | 0.0460 | 9.0000 | |
5SCK 3.15 | 3.15A | 0.0410 | 9.9220 | |
5SCK 3.50 | 3.5A | 0.0355 | 12.250 | |
5SCK 004 | 4A | 0.0260 | 16.000 | |
5SCK 005 | 5A | 0.0223 | 25.000 | |
5SCK 006 | 6A | 0.0205 | 54.000 | |
5SCK 6.30 | 6.3A | 0.0169 | 63.375 | |
5SCK 007 | 7A | 0.0117 | 73.500 | |
5SCK 008 | 8A | 0.0102 | 128.00 | |
5SCK 010 | 10A | 0.0075 | 250.00 | |
5SCK 012 | 12A | 0.0061 | 360.00 | |
5SCK 015 | 15A | 0.0046 | 675.00 | |
5SCK 020 | 20A | 0.0035 | 1200.0 |