5SLK管狀保險絲
- 2022-12-30 18:46:39
- 0

玻璃保險絲| Glass FUSE
插件| DIP
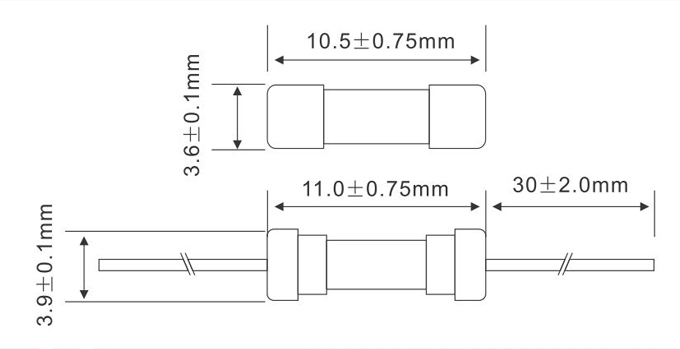
型號 | model: 5.0*20MM
Fast Acting Glass Tube Fuse Series (φ5*20MM)
+Approvals(5GE)
UL 100mA-10A
CSA Certified 100mA-10A
PSE 1A-10A
+Interrupting Ratings
100mA-10A:10,000 amperes at 125v AC100mA-1A:35 amperes at 250V AC
1.5A-3.5A:100 amperes at 250v AC 3.75-10A:200 amperes at 250V AC
Electrical Characteristics
Rated Current | 1 In | 1.35 In | 2 In |
MIN | MAX | MAX | |
100mA~20A | 4hr | 1hr | 5sec |
+Operating Temperature -55℃ to +125℃
Cartidge Catalog Number | Ampere Rating | Voltage Rating | Nominal Resistance | Nominal Ting L2f |
(In) | (V) | Cold Ohms | A.Sec | |
5SLK.100 | 100mA |
125V
|
9.0860 | 0.0018 |
5SLK.125 | 125mA | 7.7250 | 0.0035 | |
5SLK.150 | 150mA | 6.4810 | 0.0048 | |
5SLK.200 | 200mA | 4.0750 | 0.0085 | |
5SLK.250 | 250mA | 2.1170 | 0.0142 | |
5SLK.300 | 300mA | 2.3850 | 0.0197 | |
5SLK.315 | 315mA | 0.8090 | 0.0218 | |
5SLK.350 | 350mA | 0.7350 | 0.0375 | |
5SLK.400 | 400mA | 0.6030 | 0.0561 | |
5SLK.500 | 500mA | 0.3970 | 0.0930 | |
5SLK.600 | 600mA | 0.2930 | 0.1300 | |
5SLK.630 | 630mA | 0.2900 | 0.1510 | |
5SLK.700 | 700mA | 0.2370 | 0.2050 | |
5SLK.750 | 750mA | 0.2190 | 0.2850 | |
5SLK.800 | 800mA | 0.1880 | 0.3000 | |
5SLK 001 | 1A | 0.1466 | 1.0000 | |
5SLK 1.25 | 1.25A | 0.1045 | 1.3450 | |
5SLK 1.50 | 1.5A | 0.0909 | 1.6500 | |
5SLK 1.60 | 1.6A | 0.0810 | 2.2750 | |
5SLK 1.75 | 1.75A | 0.0639 | 3.2450 | |
5SLK 002 | 2A | 0.0589 | 5.4000 | |
5SLK 2.50 | 2.5A | 0.0440 | 8.1300 | |
5SLK 003 | 3A | 0.0356 | 12.100 | |
5SLK 3.15 | 3.15A | 0.0320 | 13.400 | |
5SLK 3.20 | 3.2A | 0.0315 | 13.850 | |
5SLK 3.50 | 3.5A | 0.0286 | 16.530 | |
5SLK 004 | 4A | 0.0244 | 25.600 | |
5SLK 4.50 | 4.5A | 0.0215 | 33.950 | |
5SLK 005 | 5A | 0.0192 | 42.500 | |
5SLK 006 | 6A | 0.0158 | 57.600 | |
5SLK 6.30 | 6.3A | 0.0152 | 63.500 | |
5SLK 007 | 7A | 0.0129 | 68.600 | |
5SLK 7.50 | 7.5A | 0.0122 | 72.350 | |
5SLK 008 | 8A | 0.0117 | 115.20 | |
5SLK 010 | 10A | 0.0087 | 310.00 | |
5SLK 012 | 12A | 0.0077 | 460.00 | |
5SLK 013 | 13A | 0.0068 | 542.00 | |
5SLK 015 | 15A | 0.0051 | 720.00 | |
5SLK 016 | 16A | 0.0046 | 975.00 | |
5SLK 018 | 18A | 0.0038 | 1500.0 | |
5SLK 020 | 20A | 0.0035 | 2100.0 |