3FLK管狀保險絲
- 2022-12-30 18:41:22
- 0

玻璃保險絲| Glass FUSE
插件| DIP
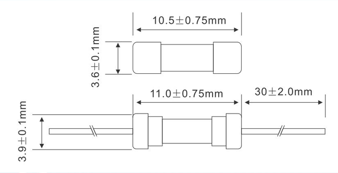
型號 | model: 3.6*10MM
Fast Acting Glass Tube Fuse Series (φ3.6*10MM Quick-Acting)
+Approvals
VDE 250mA-6.3A
Recognized Component for Canada and U.S. 250mA-6.3A
CQC 250mA-6.3A
+Interrupting Ratings
35 amperes or 10 x rated current; whichever is greater at 250V AC
Electrical Characteristics
Rated Current | 1 In | 2In | 2.75 In | 4 In | 10 In | ||
MIN | MAX | MIN | MAX | MIN | MAX | MAX | |
250mA~5A | 60min | 30min | 10ms | 3sec | 3ms | 300sec | 20mx |
+Operating Temperature -55℃ to +125℃
Cartidge Catalog Number | Ampere Rating | Voltage Rating | Nominal Resistance | Valtage Drop Mel | Nominal Ting L2f |
(In) | (V) | Cold Ohms | (Mv)MAX | A.Sec | |
3FLK.250 | 250mA |
250V |
0.406 | 180 | 0.0250 |
3FLK.315 | 315mA | 0.286 | 160 | 0.0300 | |
3FLK.400 | 400mA | 0.220 | 150 | 0.1120 | |
3FLK.500 | 500mA | 0.166 | 140 | 0.1300 | |
3FLK.630 | 630mA | 0.105 | 125 | 0.2020 | |
3FLK.800 | 800mA | 0.083 | 120 | 0.3200 | |
3FLK 001 | 1A | 0.069 | 115 | 0.4500 | |
3FLK 1.25 | 1.25A | 0.051 | 107 | 0.7500 | |
3FLK 1.60 | 1.6A | 0.036 | 105 | 1.7900 | |
3FLK 002 | 2A | 0.030 | 95 | 3.0100 | |
3FLK 2.50 | 2.5A | 0.021 | 93 | 5.1500 | |
3FLK 3.15 | 3.15A | 0.017 | 97 | 8.5500 | |
3FLK 004 | 4A | 0.012 | 85 | 14.560 | |
3FLK 005 | 5A | 0.010 | 80 | 20.370 | |
3FLK 6.30 | 6.3A | 0.070 | 75 | 33.800 |